86-021-54422420 13818829143
86-021-54422402 17701898099
All products
聯軸器 Coupling
傳動輪 Pulley
脹套 Lock
絲桿導軌 ScrewGuide
離合制動器 Clutch
傳動器 Actuators
皮帶 Belt
電機 Motor
軸承 Bearing

GSL離心離合器,GSL高速離合器,直升機離合器,GSL無人機離合器



型號 Typle | 孔徑 d | 最大孔 dmax | 外徑 D | 寬度 L | 扭力 M1 750~1500 | 功率1 P2 KW | 扭力M2 1250~2500 | 功率2 P2千瓦 | 扭力M3 2500~4500 | 功率3 P3 | ||||||||||||
| GSL60 | 10 15 20 | 20 | 60 | 38 | 1.7 | 0.1 | 4.8 | 0.6 | 6.9 | 1.1 | ||||||||||||
| GSL80 | 15 17 19.05 20 25 25.4 | 25 | 80 | 52 | 3.8 | 0.3 | 10.5 | 1.4 | 15.2 | 2.4 | ||||||||||||
| GSL90 | 15 19.05 20 25 25.4 28 | 30 | 90 | 58 | 9.1 | 0.7 | 25.1 | 3.3 | 36.1 | 5.7 | ||||||||||||
| GSL100 | 14 19.05 20 23 25 25.4 | 30 | 100 | 64 | 10.9 | 0.9 | 30.2 | 4 | 43.4 | 6.8 | ||||||||||||
| GSL110 | 19.05 20 25 25.4 30 | 40 | 110 | 70 | 24.2 | 1.9 | 67.1 | 8.8 | 96.7 | 15.2 | ||||||||||||
| GSL125 | 19.05 20 25 25.4 30 35 | 45 | 125 | 80 | 47.4 | 3.7 | 131.7 | 17.2 | 189.6 | 29.8 | ||||||||||||
| GSL140 | 19.05 20 25 25.4 30 35 | 45 | 140 | 90 | 59 | 4.6 | 164 | 21.5 | 236.1 | 37.1 | ||||||||||||
| GSL165 | 25 25.4 30 38 42 48 | 50 | 165 | 106 | 106 | 8.3 | 294.4 | 38.5 | 423.9 | 66.6 | ||||||||||||
| GSL200 | 35 38 42 50 SAE7.5/11.5 | 75 | 200 | 128 | 277.6 | 21.8 | 771.1 | 100.9 | 1110.3 | 174.4 | ||||||||||||
| GSL250 | 45 50 55 60 63.5 65 70 75 SAE10/11.5 | 80 | 250 | 160 | 720.5 | 56.6 | 2001 | 262 | 2881.9 | 452.7 | ||||||||||||
| 1.如果客戶要求,也可以提供錐形孔和特殊尺寸。2.通過改變寬度可以增加離合器的功率。3.采用安全系數2確定電機功率。由Amsbeck完成離合器的最終設計。 | ||||||||||||||||||||||
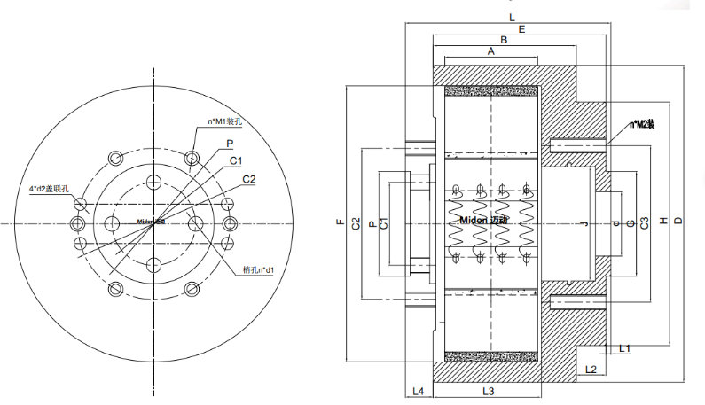
GSL離合器常用結架形式。








公司名稱:上海邁動機電設備有限公司
公司地址:上海青浦工業區崧海路98號
郵政編碼:201703
公司電話:021-54422420
公司傳真:021-54422420-801
郵箱:shmidon@126.com
戶名:上海邁動機電設備有限公司
稅號:310112660703692
開戶行:工行上海莘莊支行
賬號:1001140209007024765
電話:021-54422420 54422402
傳真:021-54422420-801
地址:上海莘莊工業園區申富路128號(開票)
地址:上海青浦工業園區崧海路98號(收貨地址)
上海邁動機電設備有限公司提供17%的增值稅發票;
品質100%保證,讓你更放心使用。
ADD:上海邁動機電設備有限公司 備案號:滬ICP備15037005
TEL:86-021-54422420,021-544227902 ,021-54422402 MB:13818829143,17701898099