86-021-54422420 13818829143
86-021-54422402 17701898099
All products
聯軸器 Coupling
傳動輪 Pulley
脹套 Lock
絲桿導軌 ScrewGuide
離合制動器 Clutch
傳動器 Actuators
皮帶 Belt
電機 Motor
軸承 Bearing




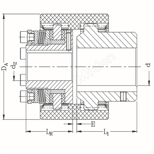
BGE邁動尼東龍齒安全聯軸器(也叫扭矩限制器,安全聯軸器、安全離合器),是聯接主動機與工作機的一種部件,主要功能為過載保護,扭力限制器是當超載或機械故障而導致所需扭矩超過設定值時,它以打滑形式限制傳動系統所傳動的扭力,當過載情形消失后自行恢復聯結。這樣就防止了機械損壞,避免了昂貴的停機損失。
BGE邁動尼東龍齒安全聯軸器)安全聯軸器基本尺寸參數
| BGE邁動尼東龍齒安全聯軸器 | ||||||||||||
型號 TYPE | 力矩 N.M | 最高轉速 r/min | 外徑 DA | 轂徑 DH | 聯軸器孔d1 | 限制器孔d2 | 總長 L | L1 | L2 | E | 鑼絲 screw | 重量 KG |
| BGE200-1 | 3-10 | 1450 | 66 | 30 | 19 | 10 | 60 | 25 | 31 | 4 | M4*6 | 0.41 |
| BGE200-2 | 6-16 | 1450 | 66 | 30 | 19 | 10 | 60 | 25 | 31 | 4 | M4*6 | 0.43 |
| BGE250-1 | 7-28 | 1200 | 83 | 44 | 28 | 20 | 77 | 40 | 33 | 4 | M5*6 | 1.12 |
| BGE250-2 | 14-45 | 1200 | 83 | 44 | 28 | 20 | 77 | 40 | 33 | 4 | M5*6 | 1.2 |
| BGE350-1 | 20-76 | 1000 | 95 | 58 | 38 | 24 | 89 | 40 | 45 | 4 | M6*6 | 2.24 |
| BGE350-2 | 35-95 | 1000 | 95 | 58 | 38 | 24 | 89 | 40 | 45 | 4 | M6*6 | 2.33 |
| BGE500-1 | 48-100 | 700 | 132 | 67 | 48 | 28 | 106 | 50 | 52 | 4 | M8*8 | 4.43 |
| BGE500-2 | 90-160 | 700 | 132 | 67 | 48 | 28 | 106 | 50 | 52 | 4 | M8*8 | 4.5 |
| BGE700-1 | 118-350 | 500 | 220 | 95 | 65 | 35 | 116 | 55 | 57 | 4 | M10*8 | 9.2 |
| BGE700-2 | 228-450 | 500 | 220 | 95 | 65 | 35 | 116 | 55 | 57 | 4 | M10*8 | 9.4 |

公司名稱:上海邁動機電設備有限公司
公司地址:上海青浦工業區崧海路98號
郵政編碼:201703
公司電話:021-54422420
公司傳真:021-54422420-801
郵箱:shmidon@126.com
戶名:上海邁動機電設備有限公司
稅號:310112660703692
開戶行:工行上海莘莊支行
賬號:1001140209007024765
電話:021-54422420 54422402
傳真:021-54422420-801
地址:上海莘莊工業園區申富路128號(開票)
地址:上海青浦工業園區崧海路98號(收貨地址)
上海邁動機電設備有限公司提供17%的增值稅發票;
品質100%保證,讓你更放心使用。
ADD:上海邁動機電設備有限公司 備案號:滬ICP備15037005
TEL:86-021-54422420,021-544227902 ,021-54422402 MB:13818829143,17701898099